大家好,又见面了,我是你们的朋友全栈君。
自适应音频功率放大器
一、题目描述
基本指标:输入信号范围10-100mV 有效值,负载电阻8Ω,输出功率恒定2W
其他要求:测取功放指标,测取输入、输出电阻,测取通频带曲线,验证带宽。
二、设计思路
拟采用自动增益控制(AGC)电路+功率放大电路实现该课题要求。
2.1 AGC电路设计思路
采用结形场效应管(JFET)或程控放大芯片设计。
①利用JFET 2N3821工作在可变电阻区,通过改变场效应管源漏极间的电阻来控制运算放大器的放大倍数。
②采用AD603程控增益可调集成运放作为可变增益放大器结合简单的AGC控制电路来实现自动增益控制。
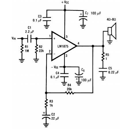
2.2 功率放大电路设计思路
有于题目要求恒定输出2W的功率,所以不能使用常用的功放芯片LM386,于是在TI官网找了LM1875这块芯片。
2.3 Flowchart
三、电路设计
基本都是从数据手册拿的,详细解释大家可以直接看数据手册。
3.1 AGC电路设计
3.1.1 JFET电路

3.1.2 AD603电路

3.2 LM1875电路设计

四、仿真结果
采用Multisim软件进行仿真,仿真结果能够完美实现题目要求。仿真文件已上传,也可以按照三中所给电路图自行搭建。
五、数据测试
JFET测试结果:测取了在输入10~100 mVRMS时,输出电压有效值。以及在这些数据输入功放时输出的功率值。

六、总结
个人觉得这个题目还是有一定难度的,在做实物的时候,AGC电路没有成功。个人觉得是因为没有使用2N3821而是使用了3DJ6替代;在做AD603仿真的时候,输出的大概是一个100mV的直流分量,交流量大概在uV级别,非常微弱。在做功放的时候,负载得使用黄金铝壳电阻,在加了散热片的前提下,2W的输出芯片还是很烫,电阻也有点。总的来说完成的很一般吧。
END:课设报告
发布者:全栈程序员-站长,转载请注明出处:https://javaforall.net/135041.html原文链接:https://javaforall.net
